解決方案
SOLUTION
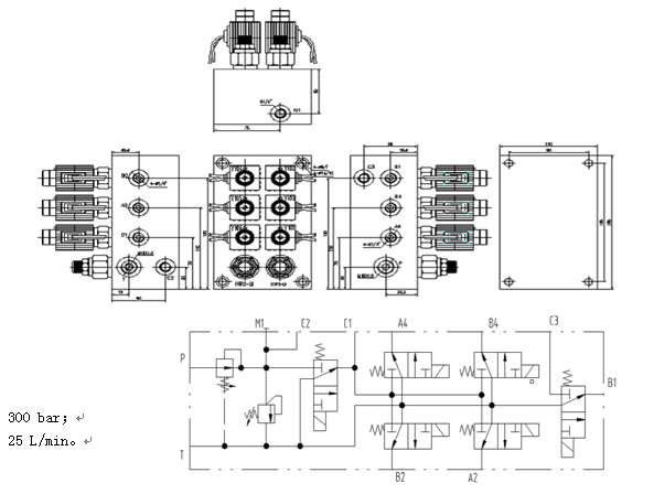
伸縮臂插裝車液壓閥組
2018-09-20
首頁 > 解決方案 > 配套產品 > 液壓閥
項目名稱:
伸縮臂插裝車液壓閥組
詳情介紹
縮臂插裝車先導控制閥組,用于液控系統油源穩壓,機構動作使能,調平機構補油及力矩
限制過載保護等動作的控制。
??? The valve assembly is used for the control of pressure stabilization,dead man,oil supplement of ?leveling and protecting of overload.

工作壓力:300 bar;
工作流量:25 L/min。